Hej!
På det amerikanska 300C-forumet finns en bra lista där dom beskriver vad allt betyder (Chrysler 300C "hidden menu" meanings):
http://www.300cforums.com/forums/tuning-cmr-dyno-datalogging-gauges/52905-evic-easter-egg-instructions-screens-meanings.html
Bilderna i den där tråden är inte ...
Sökningen fann 14 träffar
- tor 28 sep 2017, 15:29
- Kategori: Chrysler
- Tråd: Gömd meny.
- Svar: 6
- Visningar: 4062
- ons 13 sep 2017, 22:56
- Kategori: Chrysler
- Tråd: Bruksanvisning/Manual Radio/CD
- Svar: 3
- Visningar: 3758
Re: Bruksanvisning/Manual Radio/CD
http://cdn.dealereprocess.com/cdn/servi ... 05-300.pdf
SALES CODE RAQ – AM/FM/CD (6-DISC) RADIO p. 164
SALES CODE RAQ – AM/FM/CD (6-DISC) RADIO p. 164
- lör 29 jul 2017, 19:49
- Kategori: Chrysler
- Tråd: chrysler 300 M 99
- Svar: 2
- Visningar: 2841
- ons 20 jan 2016, 21:21
- Kategori: Dodge / Ram / SRT
- Tråd: Byta handbroms på Dodge Charger 2007
- Svar: 6
- Visningar: 4558
Re: Byta handbroms på Dodge Charger 2007
Din bil är troligen byggd på LX plattform. Länken nedan pekar på ett utdrag från LX servicehandboken hur bromskablarna (totalt tre) kan tas bort och installeras.
https://drive.google.com/open?id=0B5Bwm ... WJoQS12SUU
https://drive.google.com/open?id=0B5Bwm ... WJoQS12SUU
- sön 28 jun 2015, 13:00
- Kategori: Chrysler
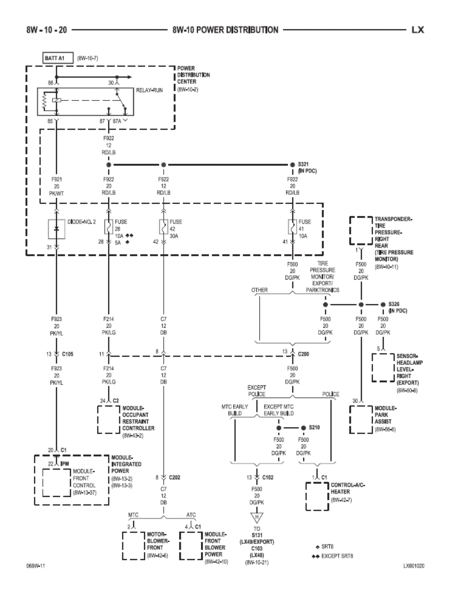
- Tråd: Chrysler 300c elproblem
- Svar: 5
- Visningar: 2961
Re: Chrysler 300c elproblem
Om du har HID halvljus (LX49 export), de är kopplad till säkringen 41 okså, se bifogad kopplingsschema.
- fre 13 feb 2015, 23:26
- Kategori: Chrysler
- Tråd: Ingen laddning 300 CRD
- Svar: 19
- Visningar: 13706
Re: Ingen laddning 300 CRD
Ja, det har en kod 04801798AA. Mer info här http://www.300cforums.com/forums/crd-el ... hroud.html" onclick="window.open(this.href);return false;Peterkk skrev: Ska tydligen finnas ett skydd i plast att eftermontera ovanför generatorn (?)
- tis 23 sep 2014, 08:18
- Kategori: Chrysler
- Tråd: Ingen laddning 300 CRD
- Svar: 19
- Visningar: 13706
Re: Ingen laddning 300 CRD
Nej, det var inget oljud, men det fanns en lukt av brinnande plast, eftersom en bågenflamma inträffade mellan börstarna.Peterkk skrev:så borde väl denna generator haft ett oljud, eller?
- lör 13 sep 2014, 23:42
- Kategori: Chrysler
- Tråd: Ingen laddning 300 CRD
- Svar: 19
- Visningar: 13706
Re: Ingen laddning 300 CRD
Yep, det är.
Från Tyskland 239 € + DHL frakt 20 €
http://www.ebay.de/itm/Lichtmaschine-Generator-NEU-TG17C026-Chrysler-300C-3-0-CRD-180A-HANDLER-/221509835682?pt=DE_Autoteile&clk_rvr_id=695279916448&ssPageName=RSS%3AB%3ASHOP%3ADE%3A101&hash=item339303dba2#vi-ilComp" onclick="window.open(this.href ...
Från Tyskland 239 € + DHL frakt 20 €
http://www.ebay.de/itm/Lichtmaschine-Generator-NEU-TG17C026-Chrysler-300C-3-0-CRD-180A-HANDLER-/221509835682?pt=DE_Autoteile&clk_rvr_id=695279916448&ssPageName=RSS%3AB%3ASHOP%3ADE%3A101&hash=item339303dba2#vi-ilComp" onclick="window.open(this.href ...
- fre 12 sep 2014, 22:47
- Kategori: Chrysler
- Tråd: Ingen laddning 300 CRD
- Svar: 19
- Visningar: 13706
Re: Ingen laddning 300 CRD
Generator är en välkänd svaghet av 300C CRD. På grund av den placeringen finns det stor möjlighet att olja eller diesel kommer att falla på och skada borstarna och kontaktringar. Det är vad som hände med mig.
DSC06402.JPG
DSC06411.JPG
DSC06423.JPG
DSC06433.JPG
Om så är fallet, du kan köpa ...
DSC06402.JPG
DSC06411.JPG
DSC06423.JPG
DSC06433.JPG
Om så är fallet, du kan köpa ...
- fre 12 sep 2014, 21:56
- Kategori: Dodge / Ram / SRT
- Tråd: stereo dodge magnum 05
- Svar: 166
- Visningar: 57989
Re: stereo dodge magnum 05
Crutchfield levererar inte till Sverige. Du måste leta efter en annan säljare, t.ex. från ebay.
http://www.ebay.com/itm/Radio-Stereo-Car-Installation-Kit-Dash-Double-Din-Gps-Nav-Navigation-Black-Bezel-/271385100742?pt=Motors_Car_Truck_Parts_Accessories&hash=item3f2fd001c6&vxp=mtr#shpCntId" onclick ...
http://www.ebay.com/itm/Radio-Stereo-Car-Installation-Kit-Dash-Double-Din-Gps-Nav-Navigation-Black-Bezel-/271385100742?pt=Motors_Car_Truck_Parts_Accessories&hash=item3f2fd001c6&vxp=mtr#shpCntId" onclick ...
- sön 31 aug 2014, 13:58
- Kategori: Dodge / Ram / SRT
- Tråd: stereo dodge magnum 05
- Svar: 166
- Visningar: 57989
Re: stereo dodge magnum 05
Första problemet jag stöter på är "hålet för stereon" då det endast är 90mm på höjden och med halvmånar, de 2-din huvudenheter jag sett på nätet verkar vara 110mm hög och uppåt. Så vad gör man åt det? Finns ju inget att kapa i då det sitter snäppfästen ivägen. http://www.crutchfield.com/p ...
- tis 12 aug 2014, 22:01
- Kategori: Chrysler
- Tråd: Byta stereo med Boston Acustics System Chrysler 300C 2007
- Svar: 2
- Visningar: 2914
Re: Byta stereo med Boston Acustics System Chrysler 300C 200
Menar du detta?Minglarn skrev:Funderar nämligen på att byta ut min RAR bandare mot en från eBay med samma mått men med en 5" skärm.
http://www.ebay.co.uk/itm/In-Car-DVD-GP ... 1520107440" onclick="window.open(this.href);return false;
- tor 01 aug 2013, 00:06
- Kategori: Chrysler
- Tråd: Chrysler 300C stereo problem
- Svar: 14
- Visningar: 6151
Re: Chrysler 300C stereo problem
Ja, det är sant. Kanske det beror på tillverkaren. Åtminstone min 2007 CRD REG modell inte kräver någon kod.Avenger skrev:Jag har sett en del som kräver kod![]()
- ons 31 jul 2013, 20:46
- Kategori: Chrysler
- Tråd: Chrysler 300C stereo problem
- Svar: 14
- Visningar: 6151
Re: Chrysler 300C stereo problem
300c original radio kräver inte en kod, men är relaterad till en specifik bil VIN-kod. Tillräcklig motorstart och radion fungerar igen.




