Igår när jag parkerade min Trans Sport -04 och stängde av allt så slocknade inte halvljuset fast jag "stängde av" det. Åkte hem och försökte hitta halvljusrelät (som jag misstänkte) utan framgång.
Medan jag satt och pillade lite planlöst på säkringar mm så slocknade ljuset. Då hade det säker lyst 10-15 min efter att jag stängt av.
Idag verkar allt fungera igen.
För något år sedan hittade jag bilen helt livlös efter en arbetsdag, men efter att den fått starthjälp så tog den sig och har fungerat klockrent sedan dess. Eftersom jag parkerade den i dagsljus då kan jag ju ha missat att halvljuset fortfarande lyste.
Det är för övrigt bara strålkastarna som lyser. Baklyset är av.
Frågor:
- Någon som kan förklara detta för mig?
- Var i hela friden har man gömt halvljusrelät?
/ Uffe
Halvljus på Trans Sport släcks inte
Annons
Re: Halvljus på Trans Sport släcks inte
Låter som ett skumt fel ev jord fel eller relä som hänger sig alt erj i kontakten till relät !
Relät sitter bakom säkringdosan i motor utrymmet eller ovanför mot torkar mekanismen !
Har för mig det är det vänstra av dom 2 som är halvljus
Hoppas det hjälper dig
Relät sitter bakom säkringdosan i motor utrymmet eller ovanför mot torkar mekanismen !
Har för mig det är det vänstra av dom 2 som är halvljus
Hoppas det hjälper dig
Skalman
Transport -01 grön
Transport -01 blå reservdels bil
Transport -01 grön
Transport -01 blå reservdels bil
Re: Halvljus på Trans Sport släcks inte
Bakom säkringsdosan...
Så blir det när man försöker packa in för mycket i ett ganska litet motorutrymme.
Ska ta en titt till helgen när jag kan jobba i daxljus.
/ Uffe
Så blir det när man försöker packa in för mycket i ett ganska litet motorutrymme.
Ska ta en titt till helgen när jag kan jobba i daxljus.
/ Uffe
Re: Halvljus på Trans Sport släcks inte
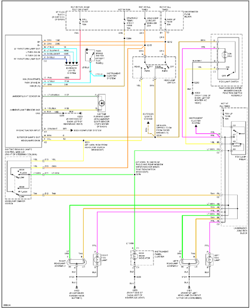
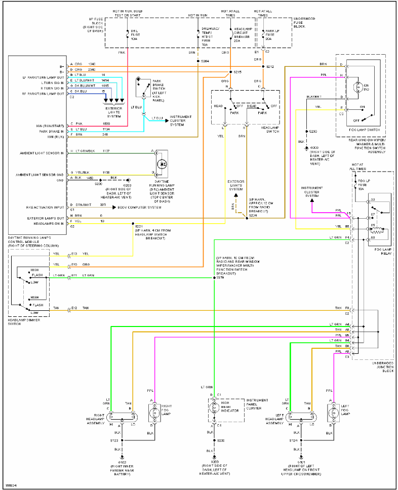
Det här är det amerikanska elschemat, men det är kopplat lite annorlunda på de svensksålda:
Re: Halvljus på Trans Sport släcks inte
Detta var ju skämmigt. Dom var inte direkt svåra att se, och jag som var i säkringsdosan och rev...
Nä - nu är dom bytta, och jag hoppas det var relät det var fel på.
Nä - nu är dom bytta, och jag hoppas det var relät det var fel på.
Re: Halvljus på Trans Sport släcks inte
Då jag nu har råkat ut för samma fel på min ts, så är jag lite nyfiken på hur det gick sen. Hjälpte det att byta relä??




