Är ny här
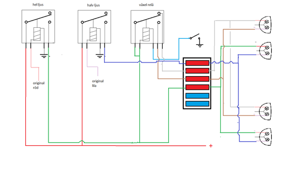
Jag har en gmc van hitop kellogg, för ett tag sen så började jag upptäcka att man inte kan ha igång helljuset så länge utan att det börjar blinka, när man stängde av det i ca 2 minuter och satte igång det igen så funka helljuset i ca 3 minuter innan det började igen.
Och sådär måste man hålla på...
Nåja en dag som vanligt så börja det blinka och när man skulle stänga av helljuset så ville det inte slockna, nu hade jag helljus på båda halv/helljus
Nu har jag fått dra helljus på en separat knapp via relä men skulle vilja fixa så det är som vanligt igen, dock så är det nån kontakt i motorrummet som har smällt ihop och jag vet inte vad det är för något
Någon som kan ge mig tips på hur jag ska göra?
Har köpt relä så jag ska dra lyset på, men vet inte hur jag ska dra det
Bifogar bild på det som har smällt ihop.






